長い検証部分を持つゲージの高精度設計のポイント
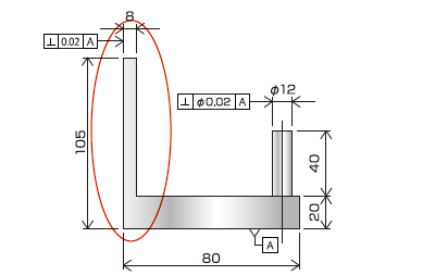
Before
精度が必要な部分が長く、かつ細い形状は高精度を安定して出しにくく、製作コストが高くなってしまう。

ゲージ設計において精度適用範囲が長く、細い形状の設計となっている場合、その部分の加工の際に歪みや反り、工具のびびり等が発生しやすくなります。その為、ゲージの製作に時間が掛かってしまい納期に影響を与えると共に、製作コストも高くなってしまいます。
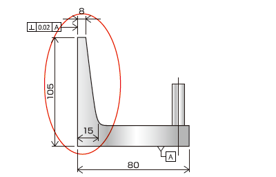
After
検証部分を短くすることができない場合は、検証に関係の無い部分の肉厚を厚くして設計することで精度が安定する。

精度適用範囲を必要部分だけに留めることがゲージ設計における重要な点ですが、長い面に渡って精度が必要な場合は、検証に干渉しない側の肉を厚くした設計にすることでゲージの精度安定化を図ることができます。またゲージの長寿命化の観点からも有効です。
精密ゲージの製作においては、ゲージのサイズが大きくなればなるほど、全体のバランスを考えて設計することが重要です。上図の例のように精度適用範囲が長く、細い設計の場合は精度が出しにくい形状のため、検証に直接関係のない部分の肉厚を増やした設計にすることで精度の安定化、ゲージの長寿命化を達成することができます。