別体構造化によるゲージ設計のポイント(薄肉形状加工)
Before
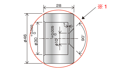
※1:刃物の底付き加工は熱の影響を受 け、歪みや反り等の悪影響を発生 しやすくなり、ゲージの精度が安定 しなくなる。

ゲージ製作を行う上で、加工時の熱による歪み等は高精度を保つ上で最も注意しなければならな い問題です。上記のようなゲージを製作する際は、マシニングによる切削加工を行うことになり ますが、切削により生じる熱で薄肉部分の精度保持が困難な場合があります。
After
※2:ゲージを別体構造にて製作し、組 み合わせることで、熱の影響等を 避けることができる。

ゲージを分割し、別体構造化することで加工時の熱による歪みの影響等を避けて製作することが 可能になります。分割方法や正確な位置あわせのためにはノウハウが必要ですが、加工方法を単 純化することができ、一体構造の場合と比較して、精度の向上、納期短縮を実現することが可能 になります。
ゲージや治具製作を行う上で、複雑形状部品は熱による歪みや各部の加工方法をよく考慮して製 作することになりますが、別体構造化が仕様上可能な場合、加工方法、形状を単純化することが でき、一体構造の場合と比べて精度の確保、納期短縮が可能になります。