軽量化による測定効率向上のための精密ゲージの設計のポイント-1
Before

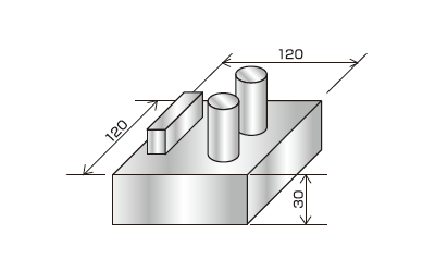
ゲージサイズが大きくなると、重量がか さむ為 取り扱いが難しくなり、作業性が 損なわれます。
After
※1:裏側に掘り込みを入れ 軽量化する。

裏部の必要でない箇所に掘り込みを入れ ることにより軽量化し、作業性を向上さ せることができます。
ゲージサイズが大きくなるとその重量のために取り扱いが難しくなります。その際は裏側に、精 度に影響が出ない範囲で掘り込みを入れることにより、軽量化が可能です。

ゲージサイズが大きくなると、重量がか さむ為 取り扱いが難しくなり、作業性が 損なわれます。
※1:裏側に掘り込みを入れ 軽量化する。

裏部の必要でない箇所に掘り込みを入れ ることにより軽量化し、作業性を向上さ せることができます。
ゲージサイズが大きくなるとその重量のために取り扱いが難しくなります。その際は裏側に、精 度に影響が出ない範囲で掘り込みを入れることにより、軽量化が可能です。