カスタマイズ事例
-

ドリルの口元が測定可能な特注口元径測定器
特注口元測定器製作までの経緯「ドリル(118°)で加工した穴の口元径が測定可能な口元径測定器…
2024.09.30 口元径測定器 -

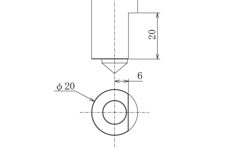
実体のない口元径(交点)を演算可能な特注口元径測定器
現在、御社口元径測定器を使用していますが、新たに端面と15度の交点にR0.2±0.05が追加となりました。そのため、測定したい直径が実体のない口元径(交点)となり、測定困難となっています。専用機で結構ですので、御社口元径測定器で測定可能かご検討をお願いいたします。
2024.05.15 口元径測定器 -

皿穴の口元径測定に特化した特注口元径測定器
特注口元測定器製作までの経緯ホームページのお客様からのお問い合わせM3⽤⽫⽳加⼯の確認⽤(…
2024.02.13 口元径測定器 -

センター穴のドリル折れを確認可能な特注口元径測定器
特注口元測定器製作までの経緯「御社の口元径測定器を使用しているのですが、測定子の改造を依頼し…
2024.01.10 口元径測定器 -

治具部分が干渉する恐れがある場合の特注口元径測定器
特注口元測定器製作までの経緯御社の口元径測定器を検討中ですが、測定したい場所のすぐ近くに壁…
2023.10.28 口元径測定器 -

深い位置の口元径が測定可能な特注口元径測定器
特注口元測定器製作までの経緯ホームページをご覧いただいたお客様からのお問い合わせお問い合わ…
2023.10.28 口元径測定器 -

必要な測定範囲を効率よくカバーできる特注口元径測定器
特注口元測定器製作までの経緯以前、規格品の口元径測定器をご購入いただいたお客様からのお問い合…
2023.10.28 口元径測定器






