カスタマイズ事例
-

浅いザグリ穴の面取り深さ測定器
御社測定器の⾯取り深さ測定器ですが、1点質問が有ります。深さが8〜9mm の品物に関しては精度も安定していたのですが、深さ5mm の品物が1点あり、こちらは⾯取りよりも先に底⾯が干渉してしまうため、計測不可でした。底⾯が5mm でも使⽤できるように、3mm 程度先端を短くすることは可能でしょうか?
2024.12.17 面取り深さ測定器 -

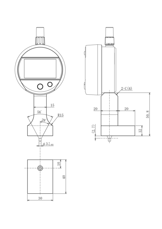
先端カットして干渉を回避した面取り深さ測定器
御社測定器の⾯取り深さ測定器ですが、1点質問が有ります。深さが8〜9mm の品物に関しては精度も安定していたのですが、深さ5mm の品物が1点あり、こちらは⾯取りよりも先に底⾯が干渉してしまうため、計測不可でした。底⾯が5mm でも使⽤できるように、3mm 程度先端を短くすることは可能でしょうか?
2024.06.06 面取り深さ測定器 -

基準面のサイズを拡張した面取り深さ測定器
現在、テーパ30°の面取りの長さ測定のために、輪郭測定機や顕微鏡を使用しているが、現場で手軽に使用できる測定器を探しています。
2024.03.07 面取り深さ測定器 -

円筒側面の面取り量を測定するための測定器
特注面取り深さ測定器製作までの経緯ホームページをご覧いただいたお客様からのお問い合わせ「今…
2023.12.25 面取り深さ測定器 -

測定範囲を増やした特注面取り深さ測定器
特注面取り深さ測定器製作までの経緯デモ器を使用されたお客様からのお問い合わせデモ器でお借りし…
2023.12.23 面取り深さ測定器 -

基準面を拡大して安定UPさせた面取り深さ測定器
特注面取り深さ測定器製作までの経緯デモ器を使用されたお客様からのお問い合わせデモ器でお借りし…
2023.11.11 面取り深さ測定器





