深さ検査可能なキー溝検査ゲージの製作
特注キー溝検査ゲージ製作までの経緯
ホームページからのお問い合わせ
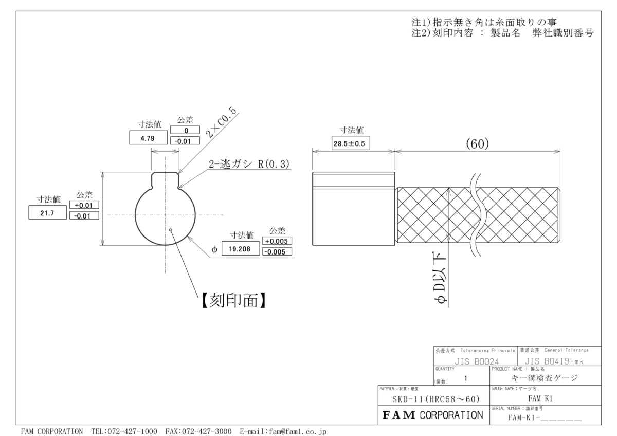
「キー溝検査ゲージに関するお問い合わせです。非貫通型キー溝の深さ検査を行いたいと考えており、検査深さは28.5±0.5mmの公差があります。エア抜き機能付きの深さ検査用キー溝検査ゲージの製作が可能であれば、見積もりをお願いします。」
ファムの対応
お客様の問い合わせを基に社内で検討を行いました。
お客様が指定された寸法・公差に加えて、「エア抜き機能」と「28.5±0.5mmの深さ検査」の要求に対応するため、ゲージの出代で深さ管理可能な設計を施しました。この特注キー溝検査ゲージをお客様に提案し、図面と見積もりを提出した結果、お客様から承認をいただき、ご発注をいただくことができました。
納品後のお客様の声
「特注の要求に迅速な対応いただきありがとうございました。」と大変嬉しいお言葉を頂くことが出来ました。

ファムでは、様々なゲージ・治具・測定器を製作してきた実績から、お客様に最適なゲージ・治具・測定器をご提案させて頂いております。是非お気軽にお問い合わせ下さい。


