浅いザグリ穴の面取り深さ測定器
特注面取り深さ測定器製作までの経緯
お客様からのお問い合わせ

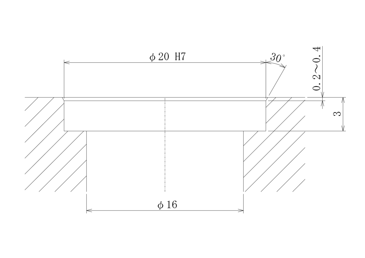
「ザグリ穴の⼝元30°⾯取り深さ(0.3±0.1)を検査するための測定器の⾒積を希望します。詳細は添付資料を参照ください。」というご相談をいただきました。
ファムの対応
お客様からのご相談を受け社内で検討した結果、面取り深さ測定器の特注仕様で対応可能であることがわかりました。弊社規格品【面取り深さ測定器】の先端をカットした【特注面取り深さ測定器】を設計してお客様に送付しました。測定範囲は短くなりますが測定精度や使用勝手は変わらない旨をお伝えしたところ、内容にご納得いただきご発注をいただけることとなりました。
納品後のお客様の声
納入後お客様からは「同じ測定器でザグリ深さ3.5mmの検査もできます。」と大変嬉しいお言葉をいただきました。

ファムでは、様々なゲージ・治具・測定器を製作してきた実績から、お客様に最適なゲージ・治具・測定器をご提案させて頂いております。是非お気軽にお問い合わせ下さい。


