深いザグリ穴の角度とストレートの交点測定が可能な特注測定器
特注皿ザグリ深さ測定器 製作までの経緯
お客様からのお問い合わせ

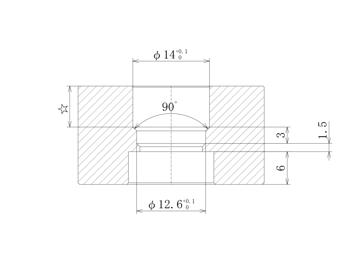
「ザグリ穴の☆印の深さを測定したいのですが、御社製品で何か良い方法はございませんでしょうか?
☆印は、ワーク端面から90°(片45°)のテーパの交点深さを測定したい。現状は、ハイトゲージを使っているが、45°のところで滑ってしまい確実ではない測定をしている。ご検討宜しくお願いします。」というご相談をいただきました。
ファムの対応
お客様からのご相談を受け、☆印の深さを効率的かつ正確に測定できる方法や測定器を提案し、測定作業を円滑化することを目的に、社内で検討をしました。
その結果、弊社規格品の【皿ザグリ深さ測定器の特注仕様】で対応可能であることがわかりました。図面に記載された☆印の深さ(角度とストレートの交点 測定範囲1.0~9mmまで可能)を測定可能な特注測定器を設計しました。
※ファム規格品 皿ザグリ深さ測定器の説明
【特注皿ザグリ深さ測定器】の使用方法と測定対象範囲を満たす仕様をお伝えしたところ、内容にご納得いただきご発注をいただけることとなりました。
納品後のお客様の声
納入後お客様からは「誰でも簡単で正確に測定できるようになりました。」と大変嬉しいお言葉をいただきました。

ファムでは、様々なゲージ・治具・測定器を製作してきた実績から、お客様に最適なゲージ・治具・測定器をご提案させて頂いております。是非お気軽にお問い合わせ下さい。

