小型精密バイス
元々は弊社の放電技術部が、小径ピンをミクロン単位で加工する為のセッティング用治具として製作したものですが、お客様から商品化希望のお声があり、標準品として販売する流れとなりました。
- 用途
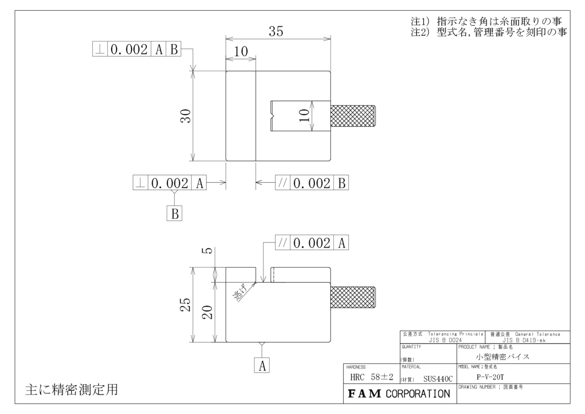
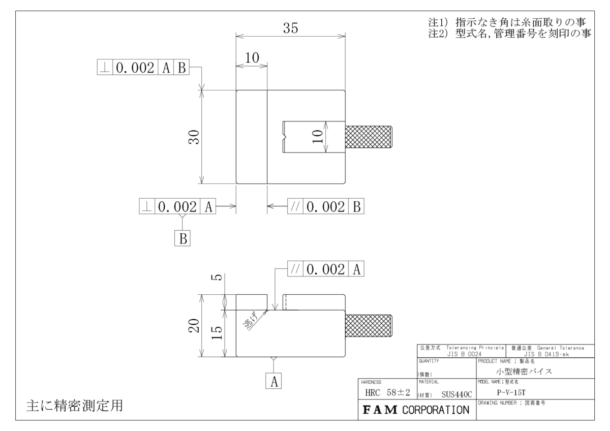
小型精密バイスについて
| 規格 | 平行・直角度0.002以内 | |
|---|---|---|
| 材質・硬度 | SUS440C HRC58±2 | |
| 重量 | 15mmのバイスで130g | 20mmのバイスで150g |
直角を出した6面構造により、手間なセット替えの必要はありません。
(35mm)×(30mm)×(15mm or 20mm)サイズの小型バイスですので、画像測定機や三次元測定機などの測定機用バイスとして最適です。


納入先企業一覧
順不同・敬称略
- トヨタ自動車 株式会社 様
- 住友電気工業株式会社 様
- 国立研究開発法人 産業技術総合研究所 様
- 東北プレス 株式会社 様
- 株式会社 アイシン 様
他 数十社以上

