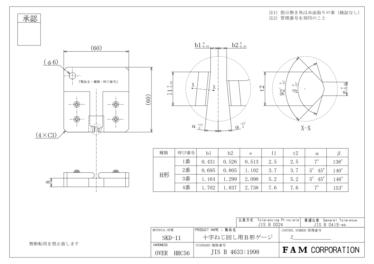
JIS B 4633-1998 B形ゲージ
十字ねじ回し(H形)の先端部の形状及び寸法は、先端部の溝部をB形ゲージに押し込んだとき、十字溝の外周面と先端円すい面との交線の位置PBはゲージの段差hBの中になければならない。
JIS B 4633-1998 B形ゲージについて
プラスドライバーの番手別寸法(JIS B 4633:1998)
プラスドライバーは、単に十字になっているだけでは円滑にネジ側の穴に刺さりませんし、回すことも困難なため細かい寸法規定があります。


プラスドライバー(H形)
| 番手 | 軸径 | b | e | g | l | α | β |
|---|---|---|---|---|---|---|---|
| 1番 | 5 | 1.001 +0.05/-0.14 | 0.513 +0.2/-0.1 | 1.270±0.15 | 2.5以上 | 7° +0/-45’ | 138° +45’/-0 |
| 2番 | 6 | 1.539 +0.07/-0.15 | 1.102 +0.2/-0.1 | 2.286±0.15 | 3.7以上 | 5°45’ +0/-45’ | 140°+45’/-0 |
| 3番 | 8 | 2.497 +0.1/-0.17 | 2.098 +0.25/-0.15 | 3.810±0.2 | 5.2以上 | 5°45’ +0/-45’ | 146°+45’/-0 |
| 4番 | 9 | 3.574 +0.1/-0.17 | 2.738 +0.25/-0.15 | 5.080±0.2 | 7.6以上 | 7°+0/-45’ | 153°+45’/-0 |
プラスドライバーの検査ゲージ

十字ねじ回し(H形)の先端部の形状及び寸法は、以下のB形ゲージを満たさなければならない。
B形ゲージ
下図を参考に、先端部の溝部をB形ゲージに押し込んだとき、十字溝の外周面と先端円すい面との交線の位置PBはゲージの段差hBの中になければならない。



